Heavy duty T-bolt spring loaded hose clamp

Spring Loaded T-Bolt clamps provide uniform sealing pressure for a positive, reliable seal where there is a need for constant tension performance.

Designed for use in high vibration and large diameter applications common in heavy trucks, industrial machinery, off-road equipment, agricultural irrigation and machinery.

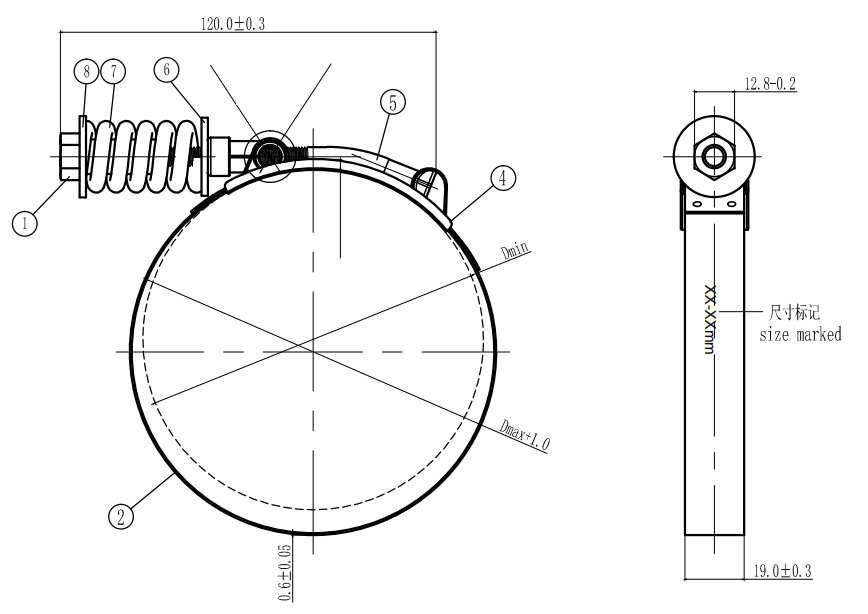
band width: 3/4"

Band and tongue sheet material:  300 Series stainless steel

screw material:  zinc plated carbon steel,  strength 8.8 grade

Screw size: 1/4-28UNF,

spring material: 65Mn

Nut material: #45 zinc plated carbon steel,  strength 8.8 grade

Hexagonal opposite side of nut: 1/2"

MORE INFORMATION

LEAVE A MESSAGE