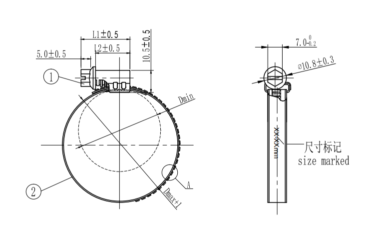
German bias hose clamp

This type of clamp conform to  DIN3017 standard. ,whic is ideal choice in the installation enviroment of high machanical force. Asymmetrical hose clamp  provide high tightening force and high torque.  Fastening force was released symmetrically to ensure the best leakproofness  of connection.

Material:W1,W2,W3,W4,W5
Bandwidth: 7.5mm,9mm,12mm

MORE INFORMATION

LEAVE A MESSAGE